J145X-(10/16/25)-電動遙控閥
J145X隔膜式電動遙控閥安裝在各類結水系統的管道上,根據電信號或手動操作,使閥門打開或關閉。準確快速的控制反應。關閉速度可調,閥門平穩關閉而不會產生壓力波動。采用三向電磁閥,維護簡單。
產品概述
J145X隔膜式電動遙控閥安裝在各類結水系統的管道上,根據電信號或手動操作,使閥門打開或關閉。準確快速的控制反應。關閉速度可調,閥門平穩關閉而不會產生壓力波動。采用三向電磁閥,維護簡單。
適用范圍
當前水力控制閥被廣泛用于石油化工、化工、煤氣、天然氣、液化石油氣、暖通行業以及一般工業中。
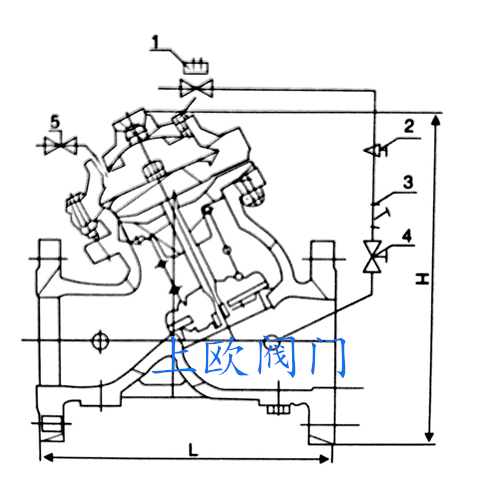
結構示意圖

1、電磁導閥 2、針型閥 3、過濾器 4、小球閥 5、小球閥
安裝示意圖

主要外形連接尺寸
公稱通徑 | L | L1 | H 隔膜式 | H 活塞式 | D | D1 | Z-Φd | ||||
PN10 | PN16 | PN10 | PN16 | PN10 | PN16 | ||||||
50 | 203 | 203 | 270 | 540 | 160 | 125 | 4-18 | ||||
65 | 216 | 216 | 340 | 600 | 180 | 145 | 4-18 | ||||
80 | 241 | 241 | 400 | 660 | 195 | 160 | 4-18 | 4-18 | |||
100 | 292 | 292 | 440 | 760 | 215 | 180 | 8-18 | ||||
125 | 330 | 330 | 460 | 810 | 245 | 210 | 8-18 | ||||
150 | 394 | 356 | 500 | 860 | 285 | 240 | 8-23 | ||||
200 | 457 | 495 | 640 | 880 | 335 | 295 | 8-23 | 12-23 | |||
250 | 533 | 622 | 680 | 950 | 390 | 405 | 350 | 355 | 12-23 | 12-25 | |
300 | 610 | 698 | 820 | 1020 | 440 | 460 | 400 | 410 | 12-23 | 12-25 | |
350 | 686 | 787 | 950 | 1100 | 500 | 520 | 460 | 470 | 16-23 | 16-25 | |
400 | 762 | 914 | 980 | 1250 | 565 | 580 | 515 | 525 | 16-25 | 16-30 | |
450 | 864 | 978 | 1050 | 1350 | 615 | 640 | 565 | 585 | 20-25 | 20-30 | |
500 | 914 | 978 | 1120 | 1550 | 670 | 715 | 620 | 650 | 20-25 | 20-34 | |
600 | 1067 | 1200 | 1400 | 1600 | 780 | 840 | 725 | 770 | 20-30 | 20-41 | |
700 | 1150 | 1450 | 1650 | 1850 | 895 | 910 | 840 | 840 | 24-30 | 24-41 | |
800 | 1300 | 1560 | 1950 | 2050 | 1010 | 1025 | 950 | 950 | 24-34 | 24-41 | |
900 | 1450 | 1800 | / | 2250 | 1115 | / | 1050 | / | 28-34 | / | |
1000 | 1600 | 2000 | / | 2500 | 1230 | / | 1160 | / | 28-34 | / | |
1200 | 1800 | / | / | 1455 | / | 1380 | / | 32-41 | / | ||
1400 | 2100 | / | / | 1675 | / | 1590 | / | 36-48 | / | ||
1600 | 2250 | / | / | 1915 | / | 1820 | / | 40-54 | / | ||
1800 | 2400 | / | / | 2115 | / | 2020 | / | 44-54 | / | ||
相關新聞
|
||||||||||||||||||||||||
![]() |
||||||||||||||||||||||||
| ||||||||||||||||||||||||









